| Sign In | Join Free | My autoplansearch.com |
|
Brand Name : Emsco
Model Number : PD45/PD55
Place of Origin : China
MOQ : 1 pcs
Price : USD100-200/pcs
Payment Terms : T/T
Supply Ability : 100 pcs/month
Delivery Time : 15-20 days
Packaging Details : case
Material : casted outshell
Bladder : NBR
Pressure : 5000 psi
Color : as required
Gaomi Eastland Oilwell Machinery Co.,Ltd
| Model | |||||||
| KB45 | F500 | F800 | F1000 | HHF500 | HHF800 | HHF1000 | |
| KB75 | F1300 | F1600 | HHF1300 | HHF1600 | |||
| PD45 | EmscoF500 | EmscoF800 | EmscoF1000 | ||||
| PD55 | FB1300 | FB1600 | |||||
| K10 | 7P50 | 8P80 | 9P100 | ||||
| K20 | 10P130 | 12P160 | |||||
| M10 | 7P50 | 8P80 | 9P100 | ||||
| M20 | 10P130 | 12P160 | |||||
| KB25 | EWS440 | EWS446 | LWS440 | LWS446 | |||
| Bomco,Emsco,Hydril,Mattco100% interchangeable,500psi & 7500psi avaliable | |||||||
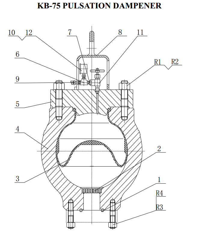
EASTLAND supplies forged and casted steel pulsation dampeners which are inter-changeable and
compatible with Hydril series "K" dampeners, Emsco series "PD" dampeners and Bomco
series "KB" dampeners. These units are dependable and reliable with API connections
K-10,3000 psi/K-10,5000 psi/K-20, 5000 psi/K-20, 7500 psi
KB-45, 5000 psi/KB-75, 5000 psi
PD-45, 5000 psi/PD-55, 5000 psi
The Hydril K-P Series Pulsation Dampener/Surge Stabilizer
should be mounted in the vertical position (refer to Figure 1-
3 and 1-4 for mounting options) with the mating flange connection at the bottom. The discharge dampener should be
mounted as close as possible to the discharge port of the
pump. If possible, it is advantageous that the dampener be
mounted in such a way that the fluid stream is directed towards the fluid opening (see Figures 1-3 and 1-4) for maximum performance.
1.1 Mounting
1.1.1 Install stud bolts in the replaceable bottom
plate.
1.1.2 Position dampener on gasket and mating
flange so that the space between flange and
bottom connection is totally equal around the
circumference.
1.1.3 Install one lubricated nut on each stud and
tighten one turn at a time until dampener is
firmly in place. Assure that space between
dampener and flange is equal.
1.1.4 Cross tighten nuts to the proper torque. Refer to
bolting data in Section 3.2.
1.2 Precharging (NITROGEN ONLY)
The correct precharge is vital for maximizing efficiency of the
pulsation dampener. Generally, precharge pressure is based
on the average operating pressure of the system, but
precharge can be affected by other system parameters; for
example. the use of MWD tools. For these applications, consult qualified Hydril personnel for correct precharging instructions.
WARNING: ALWAYS PRECHARGE WITH ZERO PRESSURE
ON THE SYSTEM AND ALWAYS PRECHARGE WITH NITROGEN.
1.3 General Precharging Instructions
1.3.1 The charging valve and pressure gauge are
located under the valve guard and are exposed
by removing the valve guard.
1.3.2 Before precharging the dampener, make sure all
cover stud nuts are tightened evenly and
charging valve and pressure gauge seal nuts
are firmly seated on the dampener.
1.3.3 Precharging is accomplished by connecting one
end of the charging hose assembly to a standard commercially available NITROGEN bottle
and the other end to the charging valve located
at the top of the pulsation dampener (Refer to
Figure 1-1).
1.3.4 Precharge from a standard commercially
available nitrogen bottle equipped with a
pressure regulator.
1.3.5 For those applications where higher precharge
pressures are required, a gas booster pump is
available; for example, Haskell International Inc.
1.3.6 Open bottle regulator valve until recommended
precharge pressure shows on regulator gauge.


|
|
Emsco PD45/PD55 5000 psi Mud Pump Pulsation Dampener Bladder Kits Images |